Самодельный квадроцикл на базе «Оки» и вазовских агрегатов
Самоделки вездеходы /03-янв,2012,23;09 /
873944

Представляем квадроцикл нашего постоянного автора С. Плетнёва из города Очёр Пермского края. Очередная построенная им машина свидетельствует о возросших конструкторском уровне и профессиональных навыках её создателя. Впрочем, судите сами...
Год труда по 3 — 4 часа после работы и в выходные — и новая машина была готова к испытаниям, остались лишь небольшие (и я бы сказал приятные) доработки: подключение светового оборудования, установка замка зажигания, зеркал заднего вида и прочие мелочи.
Квадроцикл из оки своими руками
Силовым агрегатом для моего самодельного квадроцикла стал мотор от автомобиля «Ока» — 32-сильный, двухцилиндровый, четырёхтактный, жидкостного охлаждения. И если для автомобиля его мощности часто оказывалось маловато, то для квадроцикла должно было хватить с лихвой.
Рама машины — пространственная, сварная. Основные её элементы (две пары лонжеронов: верхняя и нижняя) выполнены из круглых труб типа ВГП-25 (водогазопроводных диаметром 25 мм с толщиной стенки 3,2 мм), вспомогательные (подкосы, поперечины и пр.) — из ВГТ-20. Лонжероны — гнутые: нижние в горизонтальной плоскости, верхние — в вертикальной. Изгибал трубы на трубогибе, «на холодную». Проушины (пары ушек) для крепления рычагов и амортизаторов подвески приваривал к раме сразу, а различные кронштейны — по мере монтажа узлов и агрегатов (по «месту»).
Трансмиссия вездехода — своеобразная. Хотя машина полноприводная, но раздаточной коробки в ней нет. Как известно, в «Оке» двигатель расположен поперёк, а на квадроцикле он установлен вдоль. Это позволило направить выходные валы из коробки перемены передач (КПП) не на правое и левое колесо (как в автомобиле), а на передний и задний мосты. Вот только сам силовой агрегат, сблокированный с «корзиной» сцепления и КПП, пришлось сдвинуть относительно продольной плоскости симметрии немного влево, чтобы уменьшить горизонтальный угол продольных шарнирных валов трансмиссии. Ну а их вертикальные углы оказались при этом незначительными.
Скомпонована трансмиссия из агрегатов различных отечественных автомобилей, в основном «вазовских» моделей. Но и готовые промышленные агрегаты тоже пришлось дорабатывать. Например, из КПП (от «Оки») для обеспечения оптимальной (уменьшенной) скорости и повышения крутящего момента удалил главную зубчатую пару и заменил её на цепную передачу. Шток переключения передач тоже сделал другой — удлинённый, с выпусками на обе стороны КПП. Шток может фиксироваться в трёх положениях: для включения 1-й и 2-й передач, 3-й и 4-й и задней. Рычаг выбора этих положений находится с правой стороны, а рычаг переключения скоростей — с левой.
Межколёсные редукторы — от задних мостов вазовской «классики», только их полуоси вместе с «чулками» удалены и заменены на валы со ШРУСами от переднеприводных моделей. ШРУСы в качестве шарниров использованы и в остальных промежуточных валах трасмиссии.
Пониженных передач и блокировки дифференциалов нет.
Рулевое управление — мотоциклетного типа (рычаг и вал) вверху и автомобильного типа (с рулевыми тягами) — внизу, только упрощённое, без рулевого механизма, с одной сошкой. Руль сначала использовал от мотоцикла «Минск», с диаметром трубы 22 мм, но он оказался немного тонковат. Позднее нашёл и поставил от мотоцикла «Урал». Рулевой вал — из трубы диаметром 20 мм и толщиной стенки 2,8 мм. На нижнем конце он имеет ограничитель хода. Внизу вал опирается на упорный подшипник, а в срединной части поворачивается в разъёмном капроновом кронштейне-втулке.
Сошка изготовлена из стального листа толщиной 8 мм по форме, напоминающей букву «Т». У края «стойки» выполнено отверстие диаметром 20 мм — в него вставлен и приварен рулевой вал, а в ушках — конические отверстия под шаровые наконечники рулевых тяг. Эти отверстия усилены подходящими приваренными шайбами. Ушки сошки немного загнуты вниз, чтобы они были почти параллельны тягам.
Колёса квадроцикла — 15-дюймовые, от автомобиля «Шевроле-Нива». Шины с соответствующим посадочным диаметром размерами 205/70 (ширина/ высота в процентах от ширины) с внедорожным рисунком протектора. Диаметр обкатки колеса — около 660 мм.
Подвески колёс — независимые, на двух треугольных поперечных рычагах каждое (верхнем и нижнем) с амортизаторами от автомобиля «Ока» (передними). Рычаги сварены из круглых труб типа ВГП-20. Упругие элементы (пружины) и амортизаторы — от автомобиля «Ока» (задние). В колёсные концы передних рычагов вварены ступицы колёс и поворотные кулаки — от автомобиля ВАЗ-2109. И те и другие пришлось доработать. В ступицах установил шпильки под колёса от «Нивы», а в передних кулаках — самодельные поворотные рычаги.
Глушитель — самодельный, двухсекционный. Для защиты от температурного коробления обвеса прикрыл его дистанционной крышкой, а входной патрубок изолировал асбестом.
Обвес для квадроцикла своими руками
Обвес квадроцикла своими руками — стеклопластиковый. Вклеивал его впервые, а потому сначала изучил рекомендации по выполнению соответствующих работ. Но как оказалось — процесс этот кропотливый, хотя результат того стоит.
Сначала изготовил из стальной квадратной трубы сечением 10x10x1 мм требуемые контуры обвеса. Благо эта труба легко гнётся даже руками через колено. Контур приварил к раме с помощью перемычек из этой же трубы, в местах, где потом (после выклейки обвеса), можно было бы без труда «прихватки» спилить. Затем изогнул из оргалита (древесно-волокнистой плиты) «крылья» и зафиксировал их саморезами к контуру и перемычкам. Там, где изгиб получался крутой, крепил отдельные полоски из того же оргалита. Передок выводил пенополистиролом, приобретённым в хозяйственном магазине. Можно было использовать пенопласт или ту же монтажную пену, но пенополистирол оказался более подходящим материалом — хорошо режется острым тонким ножом. Отдельные элементы из него клеил в общую конструкцию на монтажной пене.
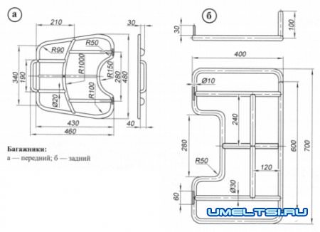
Квадроцикл своими руками чертежи
Нажимаем->увеличиваем
Рама квадроцикла своими руками чертежи
Фальшбак — сложной формы. Выгнуть его из оргалита не представлялось возможным. Поэтому, замотав двигатель полиэтиленовой пленкой, стал заполнять слоями монтажной пены предназначенное для него место. После каждого слоя — обязательная сушка, иначе толстый объём пены может не просохнуть внутри. Заполнял до тех пор, пока слои не вышли за пределы контура. Наконец после полного высыхания пены стал ножом выводить нужную форму Грани заглаживал крупнозернистой наждачной бумагой.
Под приборный щиток пошла в ход часть приборной панели «Оки». Закреплял её на болванке тоже с помощью монтажной пены. Поскольку пена крупнопористая, поры заполнял гипсом и затем обрабатывал. Когда форма болванки начала отвечать задуманному дизайну и её поверхность стала более-менее гладкой, покрыл заготовку краской ПФ-115. Поскольку я не собирался изготавливать по болвану матрицу для выклейки обвеса, а сразу выклеивал по нему обвес с последующей доводкой поверхности до идеального состояния, то шпаклевание гипсом и покраской болвана можно было бы пренебречь.
Итак, болван готов и чтобы выклеить качественное изделие, потребовалось: 10 кг эпоксидной смолы, 1 кг пластификатора к ней и 1 кг отвердителя, 15 погонных метров не толстой стеклоткани, 5 м стекломата, кисти, перчатки. Очень желательно работать в средствах, защищающих дыхание. И чем они дороже, тем надёжнее. А вот опыт, как известно, не купишь, поэтому набирался его в процессе работы.
В качестве разделительного слоя между болваном и изделием использовал прозрачный скотч. Тщательно, без пропусков, обклеил его полосами весь болван. Ушло всего 1,5 рулона широкого скотча.
Разводил смолу по 200 — 300 граммов с отвердителем и пластификатором. Применял мерные стаканчики и шприцы, что не очень-то удобно. Перед этим нарезал полоски стеклоткани такими размерами, чтобы на ровных поверхностях ложились большие полотна, а на неровностях отрезки ткани смогли их повторить, не сделав складок. К слову, стеклоткань в меру тянется по диагонали переплетений, «обтекая» нужную форму.
Сначала намазывал густо эпоксидной смолой один участок болвана, накладывал на него стеклоткань и сверху пропитывал снова смолой. Соседний кусок ткани клеил по той же технологии с перехлёстом 3 — 5 см. Работать пришлось споро — смола схватывается довольно быстро, и чем выше её температура, тем быстрее. Да, ещё смолу чуть-чуть подогревал возле мощной лампы освещения для лучшей текучести.
После обклейки болвана стеклотканью в один слой, начал обклеивать его стекломатом. Стекломат достался мне достаточно толстый, и им оказалось хорошо набирать толщину изделия. Но он не облегает неровности, поэтому использовал его только на ровных (или с некрутым прогибом) поверхностях и без перехлёста. Пропитка смолой осуществлялась так же, как и при работе со стеклотканью. Только следует учесть, что смолы для пропитки стекломата уходит очень много, поэтому разводить её нужно побольше. Неровные поверхности после наклейки стекломата проклейвал в несколько слоёв тканью. Каждый последующий слой накладывал после того, как немного схватится предыдущий, чтобы не утекала смола. А поскольку процесс выклейки обвеса занял не один день, приходилось после суток перерыва «шершавить» поверхность крупной наждачной бумагой и обезжиривать — ведь смола за это время отверждается полностью. Заключительные слои поверх мата опять покрывал стеклотканью, и даже не одним слоем.
Так как поверхность мне нужна была, как говорится, чем ровнее, тем лучше, а опыта было маловато, то провалы и ямки всё же оставались — заливал их где одной смолой, а где и с наложением кусочков стеклоткани. Смолы немного не хватило. Докупал уже в хозмаге, в коробочках. Работать с ней понравилось мне больше, поскольку уже расфасована, и оставалось лишь смешать компоненты. И сохла она побыстрее, чем приобретённая на фирме.
После полного высыхания выклеенного обвеса сделал в нём пропилы, разделив изделие на три части: задние крылья и задок, фальшбак с подсиденьем, передние крылья и передок. Осторожно, слегка поддев и оттягивая руками с подковыриванием, отделил изделие по частям без особых усилий от болвана.
Теперь, сняв части, начал обрабатывать их по отдельности, доводя до нужного результата. В общем, обыкновенные подготовительные и покрасочные работы по «всей» технологии: сначала грубая шлифовка со снятием больших выпуклостей смолы и стеклоткани; затем кропотливое заделывание шпаклевкой со стекловолокном углублений; далее шлифовка наружной поверхности и грунтовка с пластификатором. В заключении — покраска «металликом» и покрытие лаком с пластификатором.
Болван тоже аккуратно срезал и положил в дальний угол — на всякий случай. Обвес прикрепил к специально сделанным и приваренным «по месту» креплениям на раме.
В завершение сварил из тонкостенных стальных труб наружным диаметром 20 мм передний и задний багажники, а в дополнение к ним — и «кенгурятники», заменяющие бамперы.
Квадроцикл своими руками видео
Скачать чертежи самодельного квадроцикла архивом _https://depositfiles.com/files/bbmjr7cbj
С. ПЛЕТНЁВ,
г. О ч ё р, Пермский край
г. О ч ё р, Пермский край