Щетки стеклоочистителя с подогревом своими руками
Авто самоделки /01-мая,2019,10;39 /
11256

Автомобилисты хорошо знают, как во время езды зимой на щетках или дворниках машины накапливается снег и наледь. И тем более, когда идет дождь со снегом – тогда дворники полностью облепляет и они совсем не справляются с очисткой лобового стекла.
В то же время щетки все время примерзают к поверхности стекла, и если вы забудете очистить их ото льда, то при включении очищающая резинка может просто оторваться.

Это можно делать каждый раз вручную, но все-таки это приносит мало удобств. А когда едешь под снегопадом, приходится ставать среди дороги и очищать дворники – это занимает немало времени.
Сегодня для решения этой проблемы можно сходить в магазин и купить щетки, оснащенные подогревом. Но такой вариант – весьма затратный по деньгам. Однако есть и более выгодное решение – это сделать щетки с подогревом своими руками.
Для доработки щеток я использовал крайне простой, дешевый и эффективный способ. Принцип подогрева здесь основан на нихромовой проволоке.
Подготовим следующие материалы:
• нихромовую проволоку – 0,3 мм в диаметре;
• кнопку;
• разъемы;
• провода;
• паяльник с припоем и флюсом.
Изготовление автомобильных дворников с подогревом
На снимке можно увидеть, как изготовляются дворники с опцией подогрева.

Итак, берется нихромовая проволока 0,3 мм, из спирали, ее длина должна составлять две длины дворника. Для выравнивания проволоки мы ее раскручиваем из спирали, натягиваем и прогреваем, удерживая над горелкой.


Дальше отмеряем отрезок проволоки, длина которого вдвое меньше длины дворника плюс 100 мм. Проволоку сгибаем таким образом, как показано на фото. Длинная часть конца проволоки вставляется в резинку дворника, в ее полую часть. Короткий конец должен проткнуть резинку так, чтобы из-за нее не закоротило адаптер, который расположен на профиле. Сначала берем булавку и прокалываем отверстие – это видно на фото.

Тянем за оба конца проволоки и в это время внимательно следим, чтобы проволока не перекручивалась, поскольку в местах перекручивания проволока часто перегорает. Результат – проволока по всей длине прячется в резине.

На другом конце мы делаем петлю, потом в это место надеваем кембрик. Эту петлю нужно сделать, чтобы, когда нагревается нихром и резина, происходила компенсация разной степени расширения.

Следующий шаг – вывод контактов. Берем пластмассовый профиль, делаем два отверстия, через которые затем нужно вывести два контакта от нагревательного элемента. И дальше заправляется резиновая лента.

Концы проволоки загибаем и залудим, провода припаиваем.
Мы пользуемся проводом сечением 2х0,2, его длина – примерно 2 метра.

Зоны пайки изолируем термоусадкой, а, чтобы было удобно подключать, установим разъем.

Нагревательный элемент для дворника, который имеет длину 45 см, должен обладать сопротивлением на примерном уровне 8,8 Ом. Если у вас дворник длиной 60 см – значение сопротивления должно быть 11 Ом.

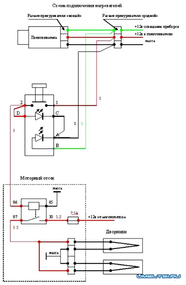
На изображении мы видим схему, которая обозначает подключение подогрева дворников.


В итоге на моем автомобиле стекло очищается самодельными дворниками с подогревом – и это без моего участия, что очень удобно.
