Мотоблок для любой почвы
Приусадебное хозяйство /19-окт,2009,23;35 /
58186

За основу своего первого мотоблока я взял «Вятича», техническое описание, эскизы основных узлов и деталей которого были опубликованы ранее на сайте umeltsi.ru. Однако мои возможности и материально-производственная база отличались от того, чем располагал автор «Вятича». В результате появилась самоделка, мало походившая на исходную конструкцию.
Собранная, как говорится, с миру по нитке, сельхозмашина хотя и не выглядела хлипкой, но перед тяжелыми суглинками нашего нечерноземья пасовала — буксовала и быстро зарывалась в землю. Не помогали ей, легковесной, ни достаточно мощный двигатель от мотороллера «Электрон», ни «шины бездорожья» с шипами, наваренными на грунтозацепы. Намаявшись с таким горе - мотоблоком в посевную, пришлось разобрать его, чтобы к лету смастерить себе мотопомощника покрепче, одинаково хорошо работающего на различных почвах и при любой погоде.
Основным условием при конструировании самодельного мотоблока, которое я себе поставил, было широкое использование отработавших узлов отечественной техники при минимуме их переделок. К тому же определенный опыт у меня уже был. Плюс накопленные знания, помноженные на терпение и труд. В итоге получилась приспособленная к местным условиям, надежная в эксплуатации фермерская машина (рис. 1), которую я назвал НЛС-2, или просто «Нильс». Уверен: если возникнет в ней когда-нибудь любая неисправность, то особых проблем, связанных с ремонтом, у меня не будет. В большинстве случаев все сведется к замене отказавшего узла или детали.
Взять, к примеру, силовой агрегат и подмо-торную раму. Они, как и многое другое в конструкции НЛС-2, — промышленного изготовления (от мотоколяски СЗА без каких бы то ни было изменений). Или редуктор-переходник: в его качестве используется главная передача от той же мотоколяски (i=2,08) с заблокированным дифференциалом. Сделать это — заблокировать — не трудно. Надо лишь приварить шейку выходной полуоси к втулке, на которой «сидит» подшипник. Такую сварку можно провести, даже не разбирая сам дифференциал, следует только защитить сепаратор с шариками асбестом или другим несгораемым материалом.
Успешная работа мотоблока во многом предопределена многоступенчатой кинематической схемой трансмиссии, обеспечивающей, в отличие от «типовых» аналогов, повышенное передаточное отношение и соответствующие крутящий момент и тяговое усилие на выходе. Помимо редуктора-переходника в кинематической схеме есть еще самодельный главный редуктор, образующий вместе с главной передачей и колесной парой, взятыми от списанного отечественного электрокара, высокоэффективный движитель.
Натяжение приводных цепей обеспечивает специальный механизм, который крепится шпильками к выполненным из стального уголка ползунам. Последние тоже могут перемещаться, ослабляя или натягивая приводную цепь. Для этого в ползунах сделаны пазы и преду смотрены крепежные болты М10 и два регулировочных винта (на рисунке не показаны).
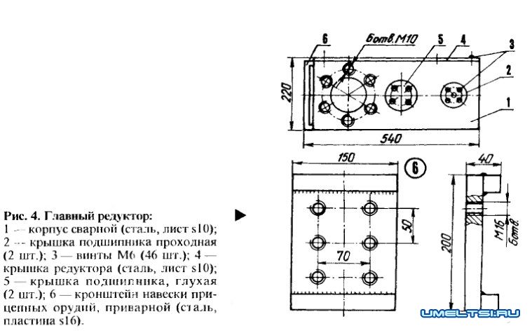
Главный редуктор — одна из трудоемких конструкций. Корпус у него сварной (рис. 4) из заготовленных заранее стальных пластин толщиной 10 мм с дисками усиления в местах установки подшипников с привинчиваемыми крышками. Швы — сплошные, исключающие подтеки масла. К задней (относительно движения мотоблока) стенке редуктора приварен кронштейн-скоба для крепления грузовой тележки (в паре с которой «Нильс» превращается в мини-трактор с «ломающейся» рамой) или прицепных сельскохозяйственных орудий. Например, плуга — через специальный узел заглубления (регулировки захода лемеха в почву).
Крышка редуктора также изготовлена из стальной пластины толщиной 10 мм. Винтами Мб она прикреплена к корпусу с маслоустойчивой прокладкой.
Валы и цилиндрические прямозубые шестерни взяты от выработавших свой ресурс сельхозмашин. Но если есть возможность, то лучше изготовить новые, помня, в частности, что промежуточный вал служит еще и для отбора мощности. Общее передаточное отношение редуктора i = 6, модуль его шестерен m = 2 мм, ширина рабочей части зуба — 15 мм.
Дифференциал главного редуктора мотоблока «Нильс» взят от списанного электрокара отечественного производства, выпущенного до 1980 года, когда его изготавливали укороченным.
Приводить более подробное описание конструкции редуктора вряд ли целесообразно: ведь у каждого самодельщика свои возможности. Нелишне только отметить тип смазки. «Нильсу» для работы больше подходят нигрол или автол. В редуктор их рекомендуется заливать до 1/3 его высоты.
Довольно интересным с конструкторской точки зрения, а главное— необходимым для мотоблока техническим решением является блокировка колес. У «Нильса» она осуществляется следующим образом. На шлицевом конце правой полуоси проточена цилиндрическая шейка чуть глубже шлицевого паза, а в противоположном торце сделано резьбовое отверстие. При вращении регулировочного винта М12 полуось под действием цилиндрической пружины сжатия смещается внутрь дифференциала, выходит из зацепления со шлицевым отверстием «родной» шестерни и соединяется с соседней, блокируя колеса.
Рабочие (пахотные) колеса НЛС-2 изготовлены на основе штатных (от того же списанного электрокара). Используемая при этом технология довольно-таки проста. В ободе каждого диска прорезаны 16 пазов, в которые вварены стальные пластины, служащие основанием грунтозацепов. А приваренные между ними перемычки образуют зигзагообразные ободы пахотных колес.
Так же просто и, как свидетельствует практика, весьма эффективно выполнен узел регулировки захода плуга в почву (рис. 6). Он состоит из П-образного сварного корпуса, в установочно-ограничительные выступы которого входит пятка грядиля плуга, способная поворачиваться в вертикальной плоскости на втулочно-осевом шарнире. Причем нужный угол здесь задает (с последующей ее фиксацией гайкой) шпилька М16. А благодаря тому, что швеллер грядиля приварен к поворотной пятке с небольшим разворотом в сторону отвала почвы от плуга, обеспечивается правильность установки последнего во время вспашки.
К грядилю крепится и отрезной нож. Установка его под требуемым углом к почве и на нужную величину осуществляется с помощью типового зажима с пластиной-накладкой и двух болтов М12 с гайками. А спереди у «Нильса» на V-образном кронштейне располагается вспомогательное колесо. Назначение его — обеспечивать легкость при транспортировке или попятном движении мотоблока.
Управляется НЛС-2 двумя штангами от мотокосилки (крепятся с небольшим смещением влево по ходу для лучшего удерживания мотоблока сделаного своими руками в борозде) с рукоятями, а также вспомогательными ручками переключения скорости и реверса.
Основной участок пашу «Нильсом» на второй передаче, а особо тяжелые почвы — на первой. Гарантируемая производительность — до трех— пяти соток земли в час.
Технические документации и черчежи
(при нажатии увеличиваем)
с.Кисляков, Ивановская обл.