Насосная установка
Приусадебное хозяйство /08-мар,2010,00;57 /
28570
НАСОС-ПОПЛАВОК

Для подачи воды из колодца, близлежащего водоема или накопительной емкости наибольшее распространение получили выпускаемые отечественной промышленностью погружные вибрационные насосы. Они доступны по цене, компактны и достаточно экономичны. Но их качество и надежность оставляют желать лучшего. Дело в том, что в их конструкцию входят две обмотки из эмалированного провода. Перед сборкой обмотки пропитывают компаундом методом окунания. Эта технология довольно примитивная, не дающая гарантий качества и надежности. (Для справки. При производстве высокоответственных изделий все обмотки трансформаторов, статоров и роторов электродвигателей и т.п. проходят длительную и более серьезную обработку. Они помещаются в прочную герметичную емкость, примерно наполовину заполненную эпоксидным лаком, давление снижается до 1 МПа и после выдержки повышается до 50 — 60 МПа. Цикл повторяется три раза, после чего следует сушка в печи при строго определенной температуре).
В результате неполной пропитки, которая обусловлена простым окунанием в компаунд, в обмотках остаются воздушные полости. Под действием вибраций происходит деформация провода, эмаль начинает разрушаться и, как следствие, возникает межвитковое короткое замыкание, местный нагрев и... насос «умирает». Все эти «прелести» я испытал неоднократно за 18 лет эксплуатации бытовых вибрационных электронасосов. Новый насос без происшествий отрабатывал в лучшем случае три года, а после ремонта и того меньше — полтора-два года.
А если учесть отсутствие на насосе входного фильтра, а как следствие — исключение возможности выкачивать воду до дна, станет понятно, почему мне в конце концов пришлось отказаться от вибронасосов.
В результате длительного творческого поиска я изготовил мобильную насосную установку, которая состоит из асинхронного элекродвигателя с встроенными конденсаторами для подключения к однофазной сети и центробежного насоса ВЦ 1,1-18-У 1,1 с закрытой крыльчаткой, выполненные как единая конструкция. Напор насоса —18 метров водяного столба, производительность — 1,1 литра в секунду, потребляемая мощность— 720 Вт, напряжение — 220 В, масса —13,5 кг.
Электромотор насосной установки имеет воздушное охлаждение, поэтому даже в случае несвоевременного отключения (после выкачивания воды из емкости) перегрева не происходит, а длительная работа двигателя в режиме холосто о хода не сказывается на его ресурсе.
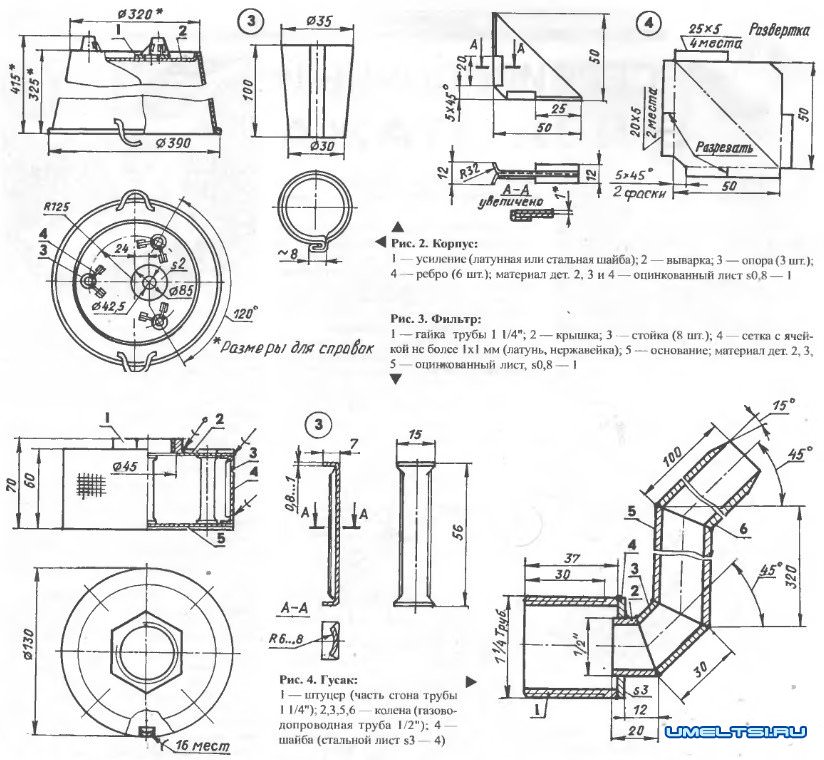
Электронасос ВЦ 1,1-18-У 1,1 непогружной, несамовсасывающий. Поэтому, чтобы приспособить его к отбору воды из водоема, я поместил его в корпус — трехведерную выварку, на верхнюю кромку которой привязал автомобильную камеру от легковушки в качестве поплавка. Через отверстие в днище корпуса всасывающий патрубок насоса вывел наружу, установил резиновую прокладку и закрепил гайкой с трубной цилиндрической резьбой 1 1/4" (такая резьба обусловлена конструкцией насоса). При отборе воды из колодца или естественного водоема на выступающий конец патрубка навинчивается самодельный фильтр.

При выкачивании из накопительного резервуара фильтр не нужен, и насос подсоединяется при помощи шланга. Чтобы он не перегибался, во всасывающий патрубок с помощью резиновой муфты-переходника с натягом вставляется изогнутая трубка (см. фото 2, на рис.1 не показана). По мере понижения уровня воды насосная установка будет опускаться. Чтобы она не «села» на дно емкости, на корпусе предусмотрены три опорные ножки.
Напорный канал насоса выходит на его боковую поверхность. Для подсоединения шланга первоначально я установил угловой штуцер (см. фото 2), но, как потом оказалось, допустил ошибку: закреплять на нем шланг, не вынимая насоса из корпуса, было довольно сложно. Поэтому впоследствии штуцер я заменил на изогнутый гусак, выходящий за верхнюю кромку корпуса (рис.1,4).
При изготовлении деталей установки наибольшие трудности вызвал штуцер гусака, поскольку для нарезания трубной резьбы 1 1/4" потребовалась специальная редко применяемая в быту плашка или токарный станок и высококвалифицированный исполнитель. Нарезание Фото 2. Составляющие элементы насосной установки:
1 — прокладка; 2 — шайба; 3 — корпус; 4 — фильтр; 5 — поплавок; 6 напорный штуцер (первый вариант); 7 — всасывающий патрубок заготовок для гусака и их сварка производились с помощью специального довольно простого стусла и кондуктора, разработанных и изготовленных мною и подробно описанных в журнале «Моде-лист-конструктор».
Фильтр, как уже отмечалось выше, самодельный. Для его изготовления потребовались отрезки оцинкованного листа толщиной 0,8 — 1 мм, сетка с ячейкой не более 1x1 мм из латуни или нержавейки и гайка с трубной резьбой 1 1/4". Соединение всех элементов фильтра в единое целое производилось с помощью пайки припоем ПОС 40.
В.ЛУЧЕНКО
Чертежи поплавка с насосом
(увеличиваем при нажатии)

