Водонапорная башня
Приусадебное хозяйство /19-окт,2010,11;23 /
41012

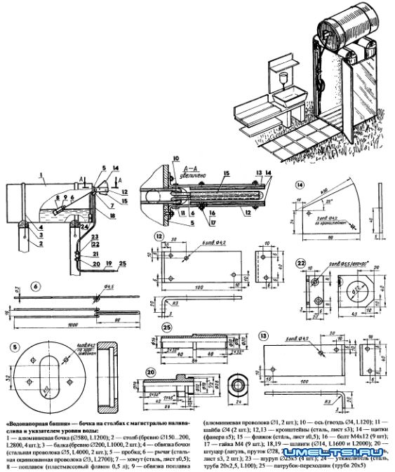
Наполнение и опорожнение бочки происходит через гибкие шланги. Свободный конец верхнего шланга опущен в бочку через отверстие в пробке, свободный конец нижнего может соединяться с патрубком-переходником напорной магистрали при наполнении емкости, а при сливе — подавать воду в ведра и другие сосуды. Шланги связаны штуцерами, ввернутыми в запорный вентиль, корпус которого крепится двумя скобами в удобном месте, например, на столбе. Верхний шланг притягивается хомутом к пробке бочки, а на опущенный в бочку конец шланга надевается утяжелитель — заглушённая трубка с боковым отверстием, через которое при сливе происходит забор воды выше зоны отстоя. Периодически, раз в две недели, нужно сливать и отстой. Для этого необходимо ослабить хомут и протолкнуть шланг подальше в бочку, чтобы утяжелитель оказался на дне в горизонтальном положении.
Указатель уровня воды монтируется на пробке бочки. Он состоит из поворотного рычага, согнутого из проволоки, с поплавком из порожнего пластмассового флакона; двух кронштейнов, закрепленных болтами на пробке бочки; оси, пропущенной через отверстия в кронштейнах и в рычаге; щитков, закрепленных на кронштейнах, и флажка на конце поворотного рычага. В пробке бочки должно быть вырезано отверстие для шланга, пропилен паз для поворотного рычага и просверлены по месту четыре отверстия под болты кронштейнов. Поперечный размер поплавка на рычаге должен быть меньше диаметра отверстия под пробку бочки, так как при сборке конец рычага с поплавком вводится в бочку, после чего пробка со смонтированным на ней указателем уровня вворачивается в резьбовое отверстие на две — три нитки резьбы. Сборку удобно вести при заполненной бочке.
Приведенные на рисунках размеры даны для стандартной алюминиевой бочки длиной 1200 и диаметром 580 мм, с отверстием под пробку диаметром 56 мм. Любой умелец сообразит, как изменить размеры деталей для другой, имеющейся у него бочки. Для налива бочки нижний конец шланга соединяют с водопроводной магистралью или насосом и открывают вентиль. При наполнении бочки флажок указателя уровня вместе с концом рычага, поворачиваясь, опускается и выходит за пределы закрывающих его щитков на кронштейнах. При достижении предельного уровня, еще до перелива, что видно по максимально вышедшему флажку («опасная» зона флажка — красная), вентиль закрывают, и «водонапорная башня» готова отдавать воду. Для этого достаточно только опять открыть вентиль. При опорожнении бочки флажок указателя уровня будет подниматься и уходить за щитки. Если флажка почти не видно (а для лучшего зрительного восприятия его нижняя часть окрашена в белый или голубой цвет), значит, воды в бочке мало и ее нужно снова наливать.
Для более интенсивного нагрева воды солнечными лучами бочку снаружи следует покрыть черной матовой краской. Это может быть «Кузбасслак» или раствор битума в бензине.
Чтобы исключить падение бочки с опор и предотвратить ее похищение, нужно обернуть бочку 5-мм проволокой в двух местах и концы проволоки надежно прибить гвоздями к столбам.
Под «водонапорной башней» удобно устроить душ, обтянув столбы непрозрачной пленкой. А чтобы опоры служили долго, их смолят. Рядом можно соорудить и другие «объекты», потребляющие нагретую воду: умывальник, емкость для стирки.
А для сбора использованной воды — приямок.
Для строительства башни необходимо