Этажерка для цветов
Разное /07-дек,2012,00;00 /
32785

Всё начиналось с комнатных цветов, точнее - с их многообразия. Их у нас так много, что уже не доставало места на подоконнике. Но и распрощаться с любым растением было нельзя, поскольку любое из них привносило свою частичку живой красоты. Из за этого и появилось задумка сконструировать многоуровневую подставку для цветов, призванную разгрузить подоконники.
Я просмотрел большое количество различных вариантов подобных конструкций. И после того как окончательный выбор был сделан, работа закипела.
Для начала подготовил проект многоуровневой подставки для цветов и прорисовал комплект деталей к ней. Это несложно было выполнить и от руки, но я использовал возможности чертёжной программы для компьютера.

Проект, материалы и фурнитура
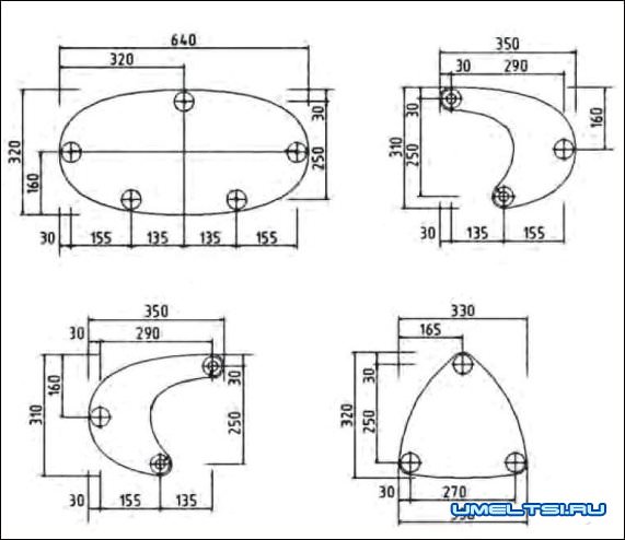
Этажерку для цветов планировалось сделать с использованием системы Joker. К основанию, выпиленному из многослойной фанеры, предполагалось прикрепить опоры (ножки) и стойки из труб, на которых будут держаться четыре полочки, расположенные на разной высоте.
Подготовка деталей
Заготовки для полок я выпилил из 15-мм фанеры электролобзиком, используя пилки BOSCH Т101АО, предназначенные для криволинейных резов. Кромки прошлифовал. На заготовке для основания обозначил места под мебельные болты и просверлил отверстия. На других заготовках разметил места крепления фланцев и расположения отверстий для труб. Отверстия под трубы просверлил сверлом Форстнера диаметром 25 мм.
Когда были подготовлены все полочки, устранил дефекты фанеры — зашпатлевал поверхности деталей. После того как шпатлёвка высохла, поверхности отшлифовал и приступил к их покраске.

Для полочек выбрал автоэмаль (в баллончиках) красного цвета, поскольку хотелось, чтобы этажерка была яркой. Красил каждую полку с двух сторон за два прохода (в два слоя). Когда краска полностью высохла, приклеил окантовку по периметру всех полочек.
Следующий этап — раскрой хромированных труб по длине: 3 шт. — 1200 мм; 1 шт. — 900 мм; 1 шт. — 600 мм. Раскроил их труборезом для тонкостенных труб. Получилось очень аккуратно, быстро и легко, но можно это сделать и ножовкой по металлу.
Сборка
Подготовив все детали, приступил к сборке изделия. На нижнем основании мебельными болтами закрепил стойки (болты вкручивал во втулки с нижней стороны основания).

После установки стоек на них надел фланцы, подровнял последние, прикрутил к основанию и зафиксировал на трубах. Поочередно закрепил с помощью фланцев остальные полки. Расстояние по вертикали между соседними полками — 300 мм. Заключительный этап — установка мебельных опор на основаниє. Изделие получилась довольно устойчивым.
В работе по изготовлению этажерки принимал самое активное участие мой восьмилетний сын Данилка. Он сверлил отверстия в заготовках, раскраивал трубы Joker труборезом и прикручивал шуроповёртом фланцы. Этажерка у нас вышла интересной и красивой, и мы торжественно подарили её маме Светлане, нашему главному цветоводу. Ей наш подарок пришёлся по душе.

Чертежи этажерки для цветов
В. Грек, г. Щигры, Курская обл.