Удобная садовая тележка своими руками
Полезные приспособления /20-мар,2011,12;53 /
59140

Для изготовления этой легкой и удобной тележки — незаменимого помощника огородника и садовода — потребуется лишь то, что и так найдется в любом дачном или сельском хозяйстве. Зато послужит она на любых вспомогательных работах: доставленный на участок груз перекинуть в нужное место, посадочный материал подвезти, за водой с канистрами съездить.
Благодаря велосипедным колесам у нее лучшая, по сравнению с тачкой, проходимость, а съемная стенка делает ее самосвальной при разгрузке сыпучих материалов — песка, перегноя, земли.
Кузов садовой тележки
Он собирается из подходящих остатков строительных материалов. Проще всего, конечно, использовать фанеру, даже тонкую. Ее можно брать в два слоя, скрепляя их между собой по краю гвоздями в загиб или склеивая любым имеющимся клеем или старой жасляной краской. Такой кузов легче. Но возможны и щитовые днище и борта — из ДСП или тонких досок типа вагонки, сплоченных в единую плоскость на поперечных брусках.
Верхние и вертикальные кромки бортов, а также верхняя кромка съемной стенки кузова для прочности окаймляются П-образным дюралюминиевым профилем. Таким же способом укрепляются передняя и задняя кромки днища. Остальные кромки щитов специального усиления не требуют, так как борта с днищем соединяются металлическими уголками 30x30x3 мм. Уголки устанавливаются и на стыках бортов со съемной стенкой (с некоторым отступом от бортов, чтобы образовались пазы для вставки стенки). Стенка, таким образом, оказывается между торцами бортов и уголками и не требует дополнительного крепления.
Кроме того, ее верхняя окантовка на концах выполнена в виде крючков, для соединения с уголками «в замок».
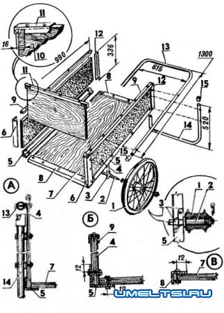
Чертежи, размеры тележки
Тележка-самосвал:
1 — велосипедное колесо;
2— ось (сталь, пруток);
3 — кронштейны оси (сталь, полоса);
4— борта кузова
(фанера sl2, 987x330);
5 — горизонтальные стыковочные уголки кузова;
6 —вертикальные стыковочные уголки
кузова;
7 — днише кузова (фанера si2. 1000x580);
8— окантовка днища;
9,12 — окантовка бортов;
10 — съемная стенка кузова (фанера si 2, 604x315);
11 — окантовка съемной стенки кузова;
13 — ручка (сталь, труба 1/2"); 14 — опора (сталь, труба 1/2"); 15 — заглушки.
А — крепление опоры и ручки к борту; Б— окантовка борта и стыка с днищем; В — окантовка днища

Ходовая часть тележки
После того, как кузов собран, можно приступать к монтажу ходовой части. Подбираются два одинаковых велосипедных колеса (лучше передних). Если есть сварочный аппарат, то их оси привариваются встык к металлическому прутку, который выполняет роль общей оси.
Если сварка недоступна, то у колес разбираются осевые втулки, колеса надеваются на общую ось и фиксируются гайками с шайбами (если конце-вики резьбовые) или шплинтами на концах оси.
Перед насадкой осевые втулки обильно заполняются густой смазкой (например, солидолом).
Ось крепится к уголкам кузова металлическими полосами: на концах каждой из них сверлятся отверстия, затем полосы овивают ось и привинчиваются болтами или, в крайнем случае, шурупами. Место крепления оси подбирается так, чтобы оно оказалось на расстоянии примерно одной трети длины тележки, тогда весовая нагрузка на руки, с учетом наклонного положения тележки во время транспортировки груза, будет меньше.
Ручка и опора для садовой тележки
Для изготовления ручки и опоры тележки подойдут газовые или водопроводные трубы. Их П-образная форма может быть получена на стандартном трубогибочном устройстве или на предварительно изготовленном деревянном шаблоне, одинаковом как для ручки, так и для опоры. Концы труб лучше заглушить пробками или крышками.
Перед установкой на тележку обе детали тщательно зачищаются и окрашиваются масляными красками (предпочтительно ярких тонов).
Ручка крепится к бортам тележки болтами, причем желательно, чтобы их было не меньше трех, а концы ручки заходили чуть дальше места крепления оси колес.
Опора фиксируется на бортах ближе к их передним кромкам, тоже болтами с гайками наружу, с таким расчетом по высоте, чтобы установленная под загрузку тележка принимала горизонтальное или слегка наклоненное вперед положение.