Как сделать направленную Wi-Fi пушку от Креосан
Полезные приспособления /10-авг,2018,22;46 /
21973

В этой статье мы рассмотрим, как в простой способ изготовляется вай фай пушка своими руками, которая принимает сигнал с расстояния многих километров.
Что такое вай фай пушка
Это устройство представляет собой направленную антенну с большой мощностью, благодаря которой можно принимать и передавать сигнал на большие расстояния.
Как делается wifi пушка и что для этого нужно
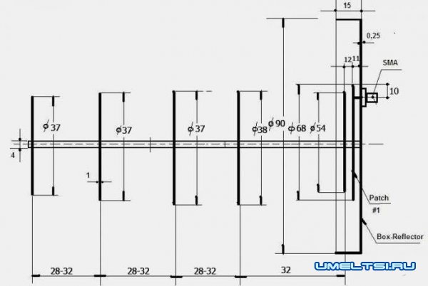
Чтобы собрать вай пушку, нужно подготовить необходимые для этого материалы – в первую очередь это металлический лист. Для этого подойдет любой металл, в нашем случае это медная фольга толщиной 0,3 мм, которая легко режется ножницами. Для крепления деталей антенны используем шпильку. Из листа фольга вырезаем 7 дисков, и посередине проделываем отверстие. При чем сначала делаем разметку, потом пробиваем отверстие, и после этого с помощью циркуля и ножниц ровно и аккуратно вырезаем окружность. Если делать все наоборот, сверло может уйти в сторону, но нам нужно сделать все ровно.


Вырезая окружность, следуем размерам, которые указаны на схеме, и вырезаем диски. Нужно делать все точно, с отклонениями хотя бы на миллиметр работа антенны будет значительно хуже.
Все нужные электронные детали можно купить в этом китайском магазине.
Эффективность работы пушки почти не зависит от толщины металла и диаметра шпильки, поэтому эти компоненты можно подбирать с любыми параметрами.

После вырезания всех деталей накручиваем их на шпильку, при этом соблюдаем между ними требуемые зазоры. Облучатель собрать предельно легко – он как конструктор. Вторая пластина бластера устанавливается на расстоянии 30 мм. Чтобы соблюсти дистанцию, подкручиваем гайки.


В последних двух дисках делаем отверстия под провод.


Подключение вай фай пушки к смартфону
Наше устройство готово, осталось подключить его к электронной аппаратуре – сначала к USB модему, потом к смартфону, и в конце к роутеру, дабы раздавать сигнал посредством вай фай пушки.
Для подсоединения к вай фай свистку аккуратно разбираем антенну, чтобы не повредить провод. Места пайки нужно залудить, затем – припаять провод.
Наружная оплетка – к крайнему диску, с самым большим диаметром, центральная жила – к соседнему диску. Пушка крепится на кронштейн, чтобы можно было удобно прицеливаться на роутер, раздающий сигнал. Вид у этой штуковины впечатляющий!
Какое рабочее расстояние самодельной вай фай пушки
Сейчас увидим, что покажет наш бластер. 11 сетей является неплохим результатом для той местности, где мы тестируем устройство. Особенно с учетом того, что с заводской антенной тот самый USB адаптер ловит лишь один WiFi. Однако если мы повернем антенну, появятся и другие сети, что говорит о узкой направленности нашей антенны.

Проверка мощности сигнала с крыши

Для уверенного приема сигнала с расстояния больше, чем один километр, следует установить вай фай пушку на крышу. Для этого использовался кабель для антенны от спутниковой тарелки. Была отломана лишняя деталь разъема антенны, рассверлен крайний диск нашей пушки и в то место плотно закручен антенный разъем. Оплетка закручена, диск вставлен на место, центральная жила подпаяна.

На втором конце телевизионного кабеля – pigtail, то есть переходник, который нужно подсоединить к нашему адаптеру. Из-за выдаваемого узкого луча пушку следует направлять точно в цель.

В этом случае было обнаружено значительно больше сетей, даже одна рабочая WiFi точка без пароля. Хоть и с небольшой скоростью, но со свободным, бесплатным доступом.