Циркулярка для подсобного хозяйства
Станки и инструменты /22-ноя,2009,22;42 /
137831

В доме усадебного типа, при котором есть подсобное хозяйство с несколькими вспомогательными постройками, для их обслуживания и ремонта дереворежущий станок, именуемый среди мастеровых людей циркуляркой, просто необходим.
Есть такой станок и у меня, тоже самодельный, как и большинство моей «приусадебной» техники. Делал я его с таким расчетом, чтобы на нем можно было и плотницко-столярные работы выполнять, и дрова распилить, а при необходимости — и металл раскроить, заменив стальной пильный диск отрезным наждачным кругом.
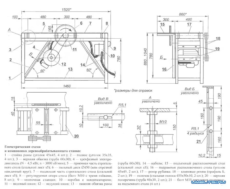
Компоновка станка, что называется, классическая. Привод, столы, рабочие органы смонтированы на общей простой раме.
Привод станка электрический. Электродвигатель мощностью 4,5 кВт с числом оборотов 3000 в минуту питается от трехфазной сети переменного тока напряжением 380 вольт. На раме он смонтирован так, что натяжение приводных клиновых ремней осуществляется силой его тяжести.
Рама простая, сварная. Стойки изготовлены из стального равнополочного уголка 45x45 мм, подкосы — из уголка 35x35 мм, а обвязки — как нижняя, так и верхняя — из прямоугольной трубы 60x30 мм. Из такой же трубы выполнены две связующие верхние поперечины. К паре передних подкосов прикрепляются четырьмя болтами М10 полозки (две стальные полосы 455x50x10 мм) электродвигателя. Подкосы служат и направляющими при натяжении приводных ремней: в подкосах вместо крепежных отверстий выполнены продольные пазы.
С правого бока к стойкам рамы прикрепляются болтами М10 два Г-образных кронштейна, выполненных из такого же уголка, что и стойки. Верхние части (полки) кронштейнов служат опорами подъемной части рабочего стола. В его плите вырезан паз для пильного диска (или отрезного наждачного круга).
В стойках кронштейна выполнены продольные пазы, которые позволяют поднимать стойки (вместе с плитой распиловочного стола) и перекрывать «вылет» диска пилы над поверхностью стола (примерно от 160 мм и практически до 0).
Две другие части стола — строгальные (подающая и приемная) — смонтированы на раме на регулируемых опорах. В качестве опор использованы длинные болты М10 с потайными головками и с гайками и контргайками. С помощью опор регулируется глубина резания (строгания) пиломатериалов.
Основной узел станка — рабочий вал с роторным рубанком и пильным диском.
Вал смонтирован в двух подшипниках N 80305. Подшипники вместе с корпусами использовал от брошенной колхозно-совхозной сельхозтехники. Вал выточил из стали 45, а ротор рубанка — из дюралюминия. Впоследствии ротор на вал насадил по тугой горячей посадке без шпонок и штифтов. Эти детали отдавал на доработку специалистам: на валу они отшлифовали посадочные поверхности, а в роторе профрезеровали продольные пазы под ножи.
Ротор рубанка трехножевой. Ножи — с двусторонними лезвиями, выполнены из инструментальной быстрорежущей стали Р18. В пазах ротора они закрепляются винтами Мб посредством прижимных планок.
Перед сборкой рабочего узла специалисты же подогнали соответствующие детали (ножи, винты и планки) по массе, а после сборки тщательно отбалансировали узел: хотя диаметр ротора небольшой, но скорость вращения такая, что даже незначительный дисбаланс вызвал бы большую вибрацию.
Двухручьевые шкивы клиноремен-ной передачи привода — дюралюминиевые с профилем ручьев под ремни типа Б. Их подобрал готовыми от какого-то ветхого металлорежущего станка. Диаметр ведомого шкива немного меньше диаметра ведущего — следовательно, вращение ротора рубанка и пильного диска несколько выше угловой скорости электродвигателя, то есть чуть больше 3000 об/мин.
Циркулярка постоянно находится во дворе на приусадебном участке. Поэтому во избежание несанкционированного ее включения внуком в дополнение к рубильнику в электрощите и кнопочной станции на раме оборудовал станок еще «секреткой» —дополнительным, скрытым от глаз, выключателем. Рабочие органы в нерабочем состоянии циркулярки закрываю сверху металлическим кожухом — перевернутым старым стальным корытом, прикрепляя его по углам к плитам стола болтиками
Еще в электрической схеме станка предусмотрел реверсивное (обратное) вращение двигателя (а соответственно и рабочего вала). Для рубанка это не нужно, а вот для пильного диска и наждачного отрезного круга такое вращение иногда бывает неплохо — для удобства работы на станке.
В.КУРАКИН, г. Саранск
Документация.
(при нажатии-увеличиваем)Документация.