Самодельный компрессор
Станки и инструменты /28-фев,2010,01;41 /
148179
Двухцилиндровый компрессор

Компрессорная установка, может быть, и не является уж столь необходимым оборудованием в домашней мастерской умельца или гараже автолюбителя, как электродрель или тиски. Но когда такой агрегат есть в наличии, он значительно облегчает некоторые трудоемкие процессы (накачку шин. например), а подчас и значительно улучшает качество работ (например, окраску изделий при помощи пульверизатора). Там же, где работы проводятся с помощью пневмоинструмента, потому что электромеханизмы (даже с низким питающим напряжением) применять в целях безопасности производства работ категорически запрещается (в пожароопасных или взрывоопасных местах), компрессор просто необходим.
Эта компрессорная установка создала как бы сама себя — острой необходимости в ней на тот момент еще не было, но в «арсенале» домашней мастерской собралось сразу несколько подходящих для этого агрегата узлов и механизмов.
Но впоследствии агрегат хорошо мне послужил, особенно при многослойной покраске дачного домика. Без него на эту работу я потратил бы сил и времени несравнимо больше, не говоря уже о перерасходе краски и ухудшении качества работы. Но до и после этой «глобальной» для меня работы я периодически использовал и использую установку для накачки шин транспортной техники (легкового автомобиля, грузовичка), покраски крупногабаритных изделий, для пневмоклепки при соединении деталей самодельных конструкций и т.п.
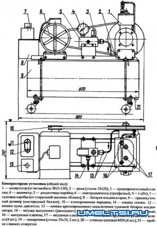
Главный механизм — двухцилиндровый компрессор от автомобиля ЗИЛ-130. Он и стал «сердцем» установки. Основной же образующий и несущий элемент агрегата — глушитель от автомобиля КрАЗ. В установке он выполняет роль ресивера и на нем смонтирована простая рамка из уголка 35x35, а на ней — все узлы и механизмы. Под ресивер подведены две поперечины из такого же уголка (соединенных с рамкой парой шпилек каждая), а на их концах закреплены четыре самоориентирующихся колеса.
Для переделки кразовского глушителя в ресивер компрессорной установки были заварены заглушками входной и выходной патрубки. Затем в заглушке выходного патрубка просверлены два резьбовых отверстия М14х1 и в них ввернуты на герметике два штуцера.
Поначалу был смонтирован и промежуточный ресивер из кислородного баллончика для того, чтобы он «перехватывал» влагу и масло, находящиеся в сжатом воздухе. Но его работа оказалась не столь уж эффективной и впоследствии я сделал сливное резьбовое отверстие в дне ресивера-глушителя, закрыв его герметичной пробкой, а баллончик из конструкции исключил.
В качестве привода компрессора использовал трехфазный электродвигатель переменного тока мощностью 1 кВт с числом оборотов 1380 в минуту, с соединенными «треугольником» обмотками, переделанный для работы с питанием, от бытовой электросети напряжением 220 В. Конечно, лучше было бы установить двигатель поменьше и однофазный, но как это чаще бывает у самодельщиков, — использовал и приспосабливал то, что имел.
Чтобы электродвигатель легко запускался и не грелся во время работы, к нему пришлось подобрать пусковую и рабочую батареи конденсаторов и подключить их в соответствии с приведенной схемой. Пусковая коробка взята от стиральной машины типа «Кама». Пуск двигателя производится следующим образом: сначала нажимается кнопка подключения пусковой батареи конденсаторов, а затем — основная пусковая кнопка на выключателе. После набора двигателем номинальных оборотов кнопка подключения пусковой батареи отпускается. Останавливается электродвигатель нажатием кнопки «стоп».
Емкость рабочей батареи конденсаторов подбирается такой, чтобы электродвигатель не нагревался даже при продолжительной работе. Для «однокиловаттника» она составляет 25 — 30 мкФ. Емкость пусковой батареи в этом случае от 70 до 100 мкФ. Критерий подбора — быстрый набор оборотов двигателем. Все конденсаторы должны иметь пробивное напряжений не менее 300 В.
На вал электродвигателя, для лучшего его охлаждения, установлена самодельная шестилопастная крыльчатка в предохранительном ЦИЛИНДрИЧеСКОМ КОЖухе. (г
Передача вращения от электродвигателя к эксцентрику компрессора — при помощи клиноременной передачи с понижением чиола оборотов примерно в три раза.
Для уменьшения потребляемой мощности привода (то есть для облегчения его работы) пришлось немного переделать компрессор. Вместо штатной головки только с Двумя выпускными клапанами (для забора воздуха имелись отверстия в нижней части цилиндров и их пришлось заделать) была установлена дюралюминиевая плита с четырьмя клапанами: парами впускных и выпускных.
Трубопроводы, соединяющие компрессор с ресивером и раздаточной коробкой — алюминиевые с проходным диаметром 6 мм. Соединения трубопроводов с механизмами — при помощи стандартных авиационных штуцеров, угольников, тройников и накидных гаек со втулками.
Раздаточная коробка — самодельная, представляет собой алюминиевый брусок с просверленным с одного торца посредине продольным глухим отверстием диаметром 10 мм — к нему подсоединена через штуцер трубка от ресивера. К этому отверстию подходят еще три отверстия такого же диаметра: два сверху и одно сбоку. В одном, верхнем, установлен манометр, а в другом — предохранительный клапан, отрегулированный на предельном давлении 4 кг/ см2 (4 атм). В боковое отверстие вмонтирован патрубок выхода сжатого воздуха.
Е.ЕВСИКОВ
Чертежи компресора