Самодельный стол для фрезера
Станки и инструменты /31-дек,2013,20;30 /
110322

Получив садовый участок, я затеял столярничать. После 10-15 лет у меня в мастерской скопилась коллекция электроинструмента, насчитывающая 27 наименований. Особенное место в ней занимает ручная фрезерная машина, которая даёт возможность столяру-любителю делать из дерева профессиональные предметы хорошего качества. С её помощью возможно быстро и аккуратненько профилировать кромки и выполнять соединения. Впрочем вскоре работать фрезерной машинкой как ручным инструментом мне стало некомфортно.
Впервые я почувствовал необходимость иметь фрезерный станок, когда делал деревянную решётку для бани: надо было изготовить 40 планок овального сечения. Пришлось соорудить простейший фрезерный стол. Установил на металлическую станину лист ДСП с отверстием посередине, прикрепил к 10-мм листу фанеры старенькую фрезерную машинку и закрепил его на ДСП — фрезерный стол готов. Работать с ним оказалось удобно, но вскоре захотелось лучшего.
Проштудировав полтора десятка сайтов самодельщиков, понял, что можно изготовить очень даже неплохой фрезерный станок, к тому же в бюджетном варианте. Начал с разработки проекта.
Основные размеры станка определили два имеющихся у меня изделия: металлическая станина, подобранная на свалке, и ручной фрезер SPARKY X 205СЕ мощностью 2050 Вт.
Фрезерный стол для фрезера своими руками: чертежи
Классический фрезерный станок, изготовленный на основе ручного фрезера, состоит из шести основных элементов: станины 1, столешницы 2, монтажной пластины 3, ручного фрезера 4, лифта 5, позволяющего регулировать вылет фрезы, и продольного упора 6.
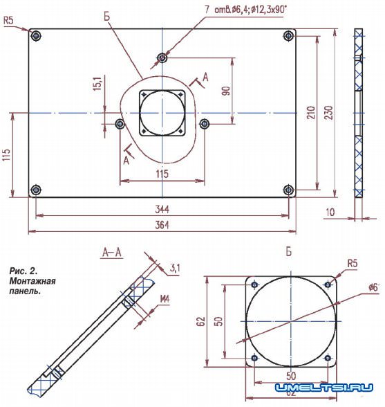
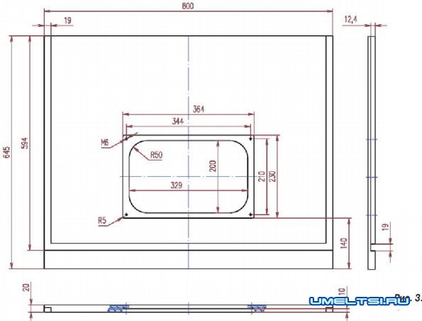
Столешница фрезерного стола

Для установки ручного фрезера на столешницу используют монтажную пластину. Крепление фрезера к съёмной пластине имеет два преимущества перед креплением непосредственно к нижней стороне крышки стола. Во-первых, пластина экономит 6-10 мм глубины фрезерования по сравнению с вариантом крепления фрезера к крышке толщиной 20 мм и более. Во-вторых, пластина позволяет легко вынуть фрезер для замены инструмента.
Для изготовления монтажной пластины (рис. 2) я использовал 10-мм лист лавсанового текстолита. Местоположение крепёжных отверстий с подошвы фрезера перевёл на бумагу, а с бумаги — на пластину. В центре пластины сделал отверстие d61 мм и в нём отфрезеровал фальц для установки сменных вкладышей под конкретную фрезу.
В большинстве случаев столешницу изготавливают из плит МДФ с мелами-новым покрытием или оклеенных пластиком. В дорогих станках для столешниц используют фенольные пластики и даже металл. Я изготовил столешницу из берёзовой фанеры толщиной 20 мм (рис. 3.) Основная сложность в изготовлении столешницы — врезка монтажной пластины заподлицо с поверхностью. Думаю, будет нелишним поделиться своим опытом выполнения этой работы.
Вырезал столешницу в размер. Разметил согласно чертежу необходимые отверстия, пазы и проём под монтажную панель. Вырезал проём с помощью электролобзика.
Приготовил направляющие бруски для копирующей фрезы. Высота брусков должна быть такова, чтобы копирующая фреза с верхним подшипником при обработке фальца была в постоянном контакте с ними.
Установил монтажную пластину на столешницу, закрепил струбцинами два длинных бруска и прикрепил к ним два коротких с помощью степлера (фото 7). Для обеспечения гарантированного зазора между фальцем и монтажной пластиной использовал с каждой стороны тонкие прокладки толщиной 0,2 мм.
Для надёжности короткие направляющие бруски прикрепил к длинным с помощью небольших угольников.

Удалил пластину и прокладки. Установил в цангу фрезера копирующую фрезу с верхним подшипником. Опирая подошву фрезера на направляющие бруски, установил глубину фрезерования 2 мм в столешнице. Сделал несколько неглубоких проходов, увеличивая вылет фрезы до достижения глубины на 0,5 мм больше толщины монтажной пластины.
Снял копирующие бруски. Зачистил с помощью шкурки кромки фальца и проёма.
Используя монтажную пластину как шаблон, просверлил по углам крепёжные отверстия. С обратной стороны столешницы установил в крепёжные отверстия врезные мебельные гайки.
Отфрезеровал с помощью 19-мм фрезы три паза под алюминиевые направляющие, которые закрепил в пазах саморезами. Столешница фрезерного станка готова.
Лифт для фрезерного стола
Следующии узел фрезерного станка, который заслуживает особого внимания, — механизм подачи фрезы в зону резания, или лифт. Стоимость профессионального лифта, продаваемого в магазинах, достигает 50-60 тысяч рублей. Это высокоточный и удобный механизм, но для целей столяров-любителей он, конечно, избыточен.

При разработке собственной конструкции лифта я поставил себе цель использовать максимальное количество покупных деталей. Проще всего решить задачу поступательного перемещения шпинделя фрезера с помощью пары винт/гайка: при вращении закреплённой от осевых перемещений гайки винт совершает поступательное перемещение.
Конструкция лифта показана на рисунке 4. В качестве подвижного элемента я использовал болт М16 длиной 200 мм. Для опоры применил длинную гайку М16, которую приварил к стальной пластине. Болт приводится во вращение с помощью прикреплённого к нему штурвала через приваренную опорную шайбу.


Штурвал (рис. 5) изготовил из берёзовой фанеры толщиной 20 мм. На плоттере напечатал контур штурвала в масштабе 1:1, наклеил рисунок на фанеру и с помощью электролобзика вырезал лишние сектора. Для компенсации закручивающей силы на фрезере между ним и болтом закреплён упорный шариковый подшипник 8110 (ГПЗЗ-2), который нашёлся в гараже. В принципе, можно поставить любой опорный подшипник, походящий по размерам.
Заканчивается лифт в верхней части подпятником, который передаёт поступательное движение на заднюю часть фрезера и является зеркальной копией его задней крышки. Прокладка изготавливается под конкретный фрезер из любого плотного материала — дерева, фанеры, ДСП, фторопласта и т.п.


Для предохранения подшипника от опилок и другого мусора я закрыл его экраном, вырезанным из консервной банки. На рисунках 6-10 представлены чертежи всех деталей лифта.