Универсальная мини - ножовка по металлу
Станки и инструменты /19-ноя,2017,11;11 /
13132

У тех, кто сам ремонтирует различные бытовые приборы, изделия, конструкции или изготавливает их своими руками в арсенале домашней мастерской, имеется множество различных инструментов, приспособлений и среди них, конечно, ручная слесарная пила, попросту - ножовка по металлу. Ножовочные полотна для такого инструмента промышленные предприятия изготавливают по разным технологиям, из различных углеродистых инструментальных или быстрорежущих сталей (и даже из алюминиевых сплавов). Одни выпускают полотна полностью закаленными до высокой твердости, другие подвергают термической обработке только зубья. Но все полотна очень хрупкие и часто ломаются, особенно при неаккуратной работе, на две, а иногда даже на три части. Со временем накапливается много обломков разной длины с еще острыми зубьями (от почти новых полотен), и выкидывать их в металлолом - не по-хозяйски.
Некоторые умельцы предлагают использовать хотя бы более длинный обломок полотна: сломанный конец отжечь, просверлить здесь отверстие под штифт, а под обломок дорабатывать рамку самой промышленной ножовки. Это трудоемко, грозит тем, что можно испортить инструмент, да еще при отжиге укорачивается и без того недлинная рабочая часть полотна.
Чтобы использовать части сломанных полотен, я сделал маленькую, можно сказать, универсальную мини - ножовку по металлу, особенно удобную при изготовлении мелких деталей.
Конструкция инструмента несложная, хотя и требует сварочных работ. Мини - ножовку можно изготовить в гаражных условиях. Материальные, трудовые и финансовые затраты совсем небольшие, а вещь очень полезная.
Для изготовления станка потребуются: стальные прутки диаметрами 8 и 12 мм; шесть винтов М6х10; две нормальных гайки М14 и деревянная ручка (можно использовать от напильника).
ОСНОВНЫЕ ПРИЕМЫ ИЗГОТОВЛЕНИЯ ДЕТАЛЕЙ
У гаек следует немного рассверлить резьбу до 13 мм - я это сделал с помощью круглого напильника, а в одной из граней нарезал резьбу Мб.
Изготовил стойку и рамку-держатель. К держателю приварил электродуговой сваркой хвостовик для ручки. Швы зачистил «болгаркой». Ею же выполнил лыску на рамке-держателе, а также прорези под обломки полотен шириной 1,5 мм в концах обеих деталей.
Стойку собирал в следующей последовательности: на держатель надел две гайки с расстоянием между ними 12 мм (радиальные отверстия должны располагаться с противоположной стороны лыски), затянул винты и вставил стойку до упора в лыску держателя между гаек (рис. 1).
В прорези стойки и держателя вставил ножовочное полотно и затянул винты. Зажимать полотно следует так. Завернуть винты с одной стороны до легкого соприкосновения с полотном. С другой стороны винты закрутить с усилием. Этот метод позволяет не разрушить хрупкое полотно в местах зажима болтами, оно будет служить как направляющая при сварке стойки с гайками. Но прежде стойку нужно правильно выставить, при необходимости закрепить с помощью струбцины. Стойку приварил к гайкам электродуговой сваркой. Сварочные швы зачистил «болгаркой». Чтобы ручка при насадке на хвостовик не треснула, надо в ней просверлить осевое отверстие диаметром 4 мм на глубину 55 мм и рассверлить его до диаметра 8 мм на глубину 20 мм. Для придания ножовке товарного вида ее покрасил.
Конструкция инструмента позволяет двигать и закреплять стойку на рамке-держателе даже на довольно близком расстоянии от ручки и использовать обломки полотна длиной от 70 мм и почти до целого полотна без каких-либо доработок. Крепление полотна вполне удобное и быстрое, делает возможным использовать обломки даже некоторых машинных полотен.
С помощью такой ножовки можно резать даже длинные полосы и делать глубокие пропилы и шлицы (для этого ножовочное полотно должно выходить из пазов за торцы стойки и держателя вниз на глубину шлица). При этом положении инструмента с ним надо работать осторожнее: надавишь чуть больше положенного или слегка изогнешь - и полотно ломается. Такие операции предпочтительно выполнять обломком от нового полотна, так как у него зубья острые и развод не износился. Также для уменьшения трения применяю смазку на основе графита и сала - она долго держится на ножовочном полотне. При отсутствии того или другого компонента полотно смазываю машинным маслом, даже отработанным.
Как видно из рисунка 1, у станка нет традиционного натяжения полотна натяжного винта с гайкой-барашком. Способ натяжения полотна изложен ниже.
Для того чтобы закрепить полотно и чтобы оно имело необходимый натяг, нужно стойку установить на расстоянии от заднего зажима по длине обломка полотна и закрепить полотно в прорезях стойки и держателя. Далее стойку с гайками рукой или легким ударом молотка по внутренней гайке со стороны ручки наклоняем вперед по держателю до натяга. Этим приемом убирается люфт в гайке с держателем. Затягиваем винт на гайке со стороны ручки и следом - на другой гайке. Этим приемом стойка выправляется и натягивает полотно. Остаток полотна длиной до 150 мм не обязательно натягивать, достаточно зафиксировать стойку на держателе и закрепить часть полотна в прорезях (стойки и держателя), как указано выше. Жесткость конструкции не позволит сломаться полотну.
Конструкция станка позволяет использовать и более широкие полотна, лишь бы они входили в паз по толщине. В целях техники безопасности острые углы на сломанных торцах полотна нужно скруглить на наждачном станке.
Если во время работы сломался хотя бы один зуб на полотне - не следует продолжать работу, иначе произойдет поломка смежных зубьев и быстрое затупление всех остальных. Для восстановления режущей способности полотна (или его обломка), у которого выкрошился зуб, необходимо на наждачном станке сточить два-три соседних с ним зуба. Из прорези заготовки надо удалить застрявший там сломанный зуб или его остатки.
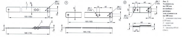
Для того чтобы использовать обломок ножовочного полотна на стандартной ножовке с присоединительным размером 300 мм, предлагаю изготовить из «мягкой» стали толщиной один мм удлинители: один на 150 мм и два по 100 мм. Удлинители (рис. 5) позволяют использовать обломки полотна с одним отверстием, независимо от того, какую часть полотна используете: переднюю или заднюю, или обломок без отверстия. Размеры 150 мм и 100 мм присоединительные, они указывают на расстояние между двумя отверстиями диаметром 4,1 мм и третьим отверстием диаметром тоже 4,1 мм на удлинителе и на обломке полотна между отверстием и выемками или между выемками, а не габаритные размеры конструкции.
Собранный узел (часть полотна с удлинителем) представляет собой как бы целое ножовочное полотно длиной 300 мм. Оно фиксируется в ножовке с помощью штатных штифтов.
Варианты сборки узла:
- Удлинитель 150 мм и обломок полотна 150 мм с отверстием.
- Удлинитель 100 мм и обломок полотна 200 мм с отверстием.
- Два удлинителя по 100 мм и обломок полотна 100 мм без отверстия.
Каждый удлинитель состоит из двух пластин шириной 20 мм: длинной и короткой. Пластины соединены между собой двумя стальными заклепками диаметром 3 мм (можно использовать стержень от электрода). Между пластин в прорезь шириной 1 мм вставляется доработанный на наждачном станке обломок полотна. Конфигурация выемок на рисунках обломков полотна обозначена толстой линией (с отверстием - на рис. 4, без отверстия - на рис. 5). Доработанный конец полотна фиксируется в удлинителе двумя болтами М4х8 с гайками (они на рисунках удлинителей 2 и 3 условно не показаны). Для удобства и ускорения фиксации части полотна в удлинителе можно использовать один болт с гайкой, а второй - без гайки, как штифт.
Нелишним, считаю, будет напоминание о некоторых правилах техники безопасности при работе со слесарной ножовкой:
1) Надежно закреплять заготовку в тисках.
2) Пилить без рывков.
3) Работать только с исправной и не слетающей с концевика ручкой.
4) Заканчивая резание, ослаблять нажим и поддерживать отрезаемую часть заготовки.
5) Сметать опилки только специальной щеткой.
В. АКСЕНЦЕВ, г. Арзамас, Нижегородская область