Как сделать термостабилизатор для овощехранилища
Электронные самоделки /23-дек,2021,23;53 /
5941

Рассматриваемый термостабилизатор отличается простотой, отсутствием дефицитных компонентов и обладает хорошими характеристиками, в частности он способен поддерживать температуру в помещении в пределах от 0 до 25°С с точностью до 1°С, чего вполне достаточно для подвала или погреба.
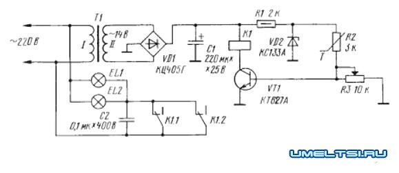
В данном случае терморезистор R2 служит датчиком температуры, он питается стабилизированным напряжением от параметрического стабилизатора, который собирается на основе стабилитрона VD2. Терморезистор R2 вместе с переменным резистором R3 создают делить, падающее напряжение управляет ключом, который был собран на транзисторе VT1. Транзистор запускает силовое реле К1, которое включает нагреватель, в данном случае используются две 300-ватные лампочки.
Питание устройства осуществляется посредством блока питания, который был собран на понижающем трансформаторе Т1, выпрямительной диодной сборке VD1, в также на сглаживающем конденсаторе С1. В помещении необходимая температура устанавливается с помощью переменного резистора R3, его ручку требуется отградуировать в °С. До тех пор, пока температура в помещении выше заданной, на делителе R2R3 недостаточно напряжения для открытия транзистора, а нагреватель EL1, EL2 в свою очередь отключен. Когда происходит понижение температуры ниже той, что была задана, то напряжение на транзисторе увеличивается и соответственно он открывается. Включается реле и срабатывает нагреватель.

В качестве выпрямительной диодной сборки может выступать сборка серий КЦ402/ КЦ405 с буквенными обозначениями В-Е. Транзистор VT1 – КТ827 или КТ829 с любым буквенным обозначением. Можно отдать предпочтение любому малогабаритному сетевому трансформатору, главное, чтобы напряжение на вторичной обмотке было равно 12-15 В.
На месте стабилитрона VD2 могут быть использованы полупроводниковые диоды КС139А/КС147А. Реле в данном случае используется РЭС-6 с российским паспортом 452.104-01. Для того чтобы избежать пробоя транзистора обратной электродвижущей силы обмотки реле, ее стоит зашунтировать диодом, при этом включив его параллельно обмотке реле К1 анодом к коллектору транзистора. В случае, когда терморезистор отнесен больше, чем на 20 см от схемы, соединять его стоит экранированным кабелем.
Стоит отметить, что в данном случае стоит отдать предпочтение воздушному трубчатому нагревателю определенной мощности вместо осветительных лампочек, так как освещение в месте, где будут храниться овощи нежелателен.