Тележка для ульев
Полезные приспособления /12-апр,2013,10;03 /
44645

Знания – знаниями, а по огромному счету пчеловодство – это примитивное перетаскивание всевозможных тяжестей – ульи, рамки, корпуса, мед, медогонки. Что только не перемещает пчеловод в ходе работы на пасеке. А в том случае когда пасека кочевая, улья приходится перемещать еще больше. Даже в том случае если облегчили себе жизнь, установив ульи на колесную платформу, либо приобрели пчеловодный павильон, всё равно придется переносить много скарба, какой временами необходимо куда-то перевести, перенести, переложить и т. д. Это значит, что малая механизация жизненно необходима, и чем больше пасека, тем более основательной должна быть эта механизация.
С большим нетерпением хочу представить Вам пасечную тележку с зажимом, который способный работать со всеми типами ульев. Принципиальная разница по сравнению с предыдущими вариантами в том, что он работает с ульями в пределах от 340- 1100 мм и даже больше. Зажим данной тележки приводится в действия путём несложных манипуляций. Тележка оснащена очень легким механическим приводом, в ручную можно поднимать или опускать улья с точностью до 1 сантиметра. Усилие на ручку подъёмника примерно 1кг. Таким образом можно погрузить улик на автомобиль, прицеп, платформу высота которого более 1м.
Такой механизм даёт возможность с легкостью осуществлять перестановку корпусов, смену днище и иные действия с ульями.
Погрузить улья можно прямо из земли. Для того, чтобы снять улик нужно осуществить все операции в обратной последовательности. Для горизонтальных ульев, необходимо развести зажимы до необходимой ширины. Максимальный размер, конкретно этой конструкции зажима, составляет 1,1м, чего вполне достаточно для работы с 24-х рамочными ульями. Вес ульев, с которым можно работать при помощи таких зажимов достигает 120 кг, на практике очень редко приходится работать с таким весом. Для работы с ульями из пенополистирола, фанеры и остальными менее прочными материалами, зажим можно с легкостью сменить на иной, под названием - «вилка», с помощью которой можно брать улья под днище или под обвязку, это зависит от конструкции вашего улья.
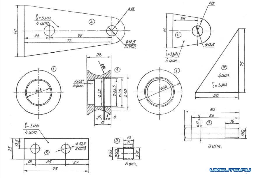
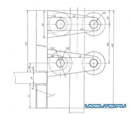
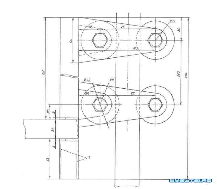
На представленных ниже чертежах, Вы увидите каждую деталь с размерами. Изготовить такую тележку Вам не составит особого труда, umeltsi.ru гарантируют, что будет сэкономлено много сил и нервов.
Чертежи тележки для пасеки