Котел длительного горения своими руками
Полезные приспособления /04-окт,2015,16;17 /
40554

Современные твердотопливные котлы – это хорошо, они оправдывают свое назначение, но они не совершенны. В твердотопливных котлах есть существенный недостаток, много нерационального расхода топлива. Чтобы поддержать огонь, нужно постоянно контролировать процесс горения и вовремя подкладывать топливо. Не у каждого есть время стоять возле котла.
Нерациональный расход пеллет, дров, брикетов и других твердых топливных материалов приводит к большим затратам которые можно избежать.
Одним из выходов – купить котел длительного горения, но это не дешевое удовольствие. Куда выгоднее по финансам сделать такой котел своими руками. Сделать котел, который будет поддерживать длительное горения твердого топлива, и держать высокую температуру длительное время вплоть до 20-25 часов. Так же плюсом будет то, что он способен давать тепло не только от любого твердого топлива, но и от сгораемых бытовых отходов.
Что понадобиться для производства самодельного котла длительного горения?
Прежде всего необходимо подготовить технику и чертежи. Практически все схемы и чертежи котла можно найти на просторах всемирной сети. Из инструментов и техники понадобится:
⚫ сварочный аппарат и несколько пачек электродов;
⚫ углошлифовальные машинки или электрический лобзик;
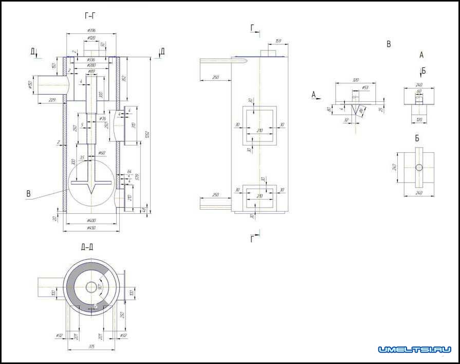
Котел длительного горения: чертежи
Из материалов, которые понадобятся для создания подобного котла, следует закупить:
✓ трубу 130 см и диаметром 50 см с толщиной стенок в 3-4 мм;
✓ трубу длиной 150 см и 45 см в диаметре с толщиной стенок в 3-4 мм;
✓ несколько 1250х2500х2,5 см листов прокатного метала, из которых сделать две большие трубы;
✓ 120 см трубу диаметром 5-7 см;
✓ стальные кольца диаметром 50 см, шириной в 2,5 см;
✓ лист прокатного метала на дверцу и отсек для очистки от золы;
✓ задвижки, ручки и петли;
✓ швеллер и уголок;
✓ асбестовое защитное полотно;
✓ асбестовый уплотнитель.
Процесс изготовления самодельного котла длительного горения при наличии всех необходимых чертежей пройдет без затруднений.
Корпус котла

Две трубы 150 и 130 см в длину вложить друг в друга и соединить при помощи стального кольца.

Из листа прокатного металла вырезать круг диаметром 45 см и заварить им днище внутренней трубы. В итоге должна получиться 45 см бочка, к которой следует приварить контур водонагрева шириной в 2,5 см.

В нижней части резервуара вырезать прямоугольное 15-16 см отверстие высотой в 8-10 см. Оно будет служить в качестве дверцы отсека для очистки от золы. Приварить люк, приделать дверцу, прикрутить петли, ручку и задвижки.

В верхней части резервуара прорезать отверстие, с помощью которого топливо будет помещаться в котел. Размеры отсека определить на глаз.

Приварить загрузочный резервуар, приделать дверцу с задвижками и петлями. В большинстве случаев, следует сделать двойную дверцу, проложив между металлическими листами теплоизоляционную прокладку из асбеста, а также уплотнительный асбестовый шнур в местах стыка дверцы с котлом.

Приварить выпускной патрубок к верхней части котла. Именно из этого патрубка отработанный газ будет выводиться в систему дымохода.
К водяной рубашке приварить 40-45 мм патрубки, с помощью которых котел будет подключаться к отопительной системе. Нарезать резьбу по часовой стрелке.
При помощи шлифовальной машинки затереть сварочные швы. Опресовать рубашку котла под давлением 2кг на 1 кв см. площади. Качество швов следует проверить очень тщательно. В случае, если швы некачественные – устранить огрехи.
Изготовление воздушного распределителя для самодельного котла длительного горения также не должно составить никаких сложностей.
Из металлического листа следует вырезать круг, немного меньший, чем внутренний диаметр самодельного котла (42-44 см).

В центре круга следует вырезать 5-6 см отверстие (в соответствии с диаметром воздухораспределительной трубы).
В получившееся отверстие вставить трубу и загерметизировать её при помощи шва.

К нижней поверхности круга приварить куски швеллера (уголка) в виде лопастей. Приварить петлю, при помощи которой конструкцию можно будет опускать и поднимать на нужный уровень.
Приспособить заслонку, которая будет регулировать подачу воздуха в отсек, в котором будет происходить сгорание твердого топлива.
Из металлического листа вырезать блин диаметром в 50 сантиметров, после чего в центре которого оборудовать дыру в 7-8 см. Вставить готовую конструкцию в котел. Верхний конец патрубка поместить в отверстие и тщательно заварить. К петле прикрепить шнур или трос, отвечающий за спуск и подъем распределителя.

Самодельный котел длительного горения, изготовленный своими руками, готов к использованию. В общей сложности, подобная конструкция обходится значительно дешевле, чем её заводские аналоги. К котлу необходимо приспособить датчики тепла и давления, а также ознакомиться с техникой безопасности при использовании подобных отопительных приспособлений.