Водяной электрокотел для отопления частного дома
Квартирный вопрос /08-янв,2017,21;27 /
7058

Дом построен. Электричество подведено. Зима на носу...
Предлагаю сделать водяное отопление с использованием автоматического трубчатого электрического нагревателя (ТЭН) «Аристон».. Надежность и автоматическая регулировка максимального нагрева - большие плюсы «тэнов» этой фирмы.

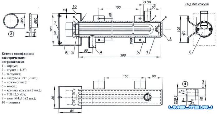
Самый простой вариант - котел с однофазным нагревателем, похожий на кусок трубы. При горизонтальном расположении агрегата потребуется циркуляционный насос. При вертикальном расположении котла давления от теплового расширения жидкости достаточно для циркуляции ее в системе. После сварки корпуса требуется вкрутить тэн, залить воду и подать электричество при помощи электрического кабеля с электровилкой.
Практика показала, что при двухтрубной системе отопления даже без радиаторов котла с ТЭНами в 2,5 кВт хватит для отопления дома площадью 30 м2.
Развивая конструкцию, я пришел к выводу, что для трехфазного напряжения следует сделать котел из трех автоматических ТЭНов по 2,5 кВт каждый. Тогда можно будет отапливать до 80 м2 жилой площади!
Подсоединение - по одной фазе к каждому термостату.
Настройка котла состоит в установлении требуемой температуры на термостатах (допустимо 50 °С). Похолодает на улице - можно будет повысить температуру. Как в обычном бытовом электротитане.
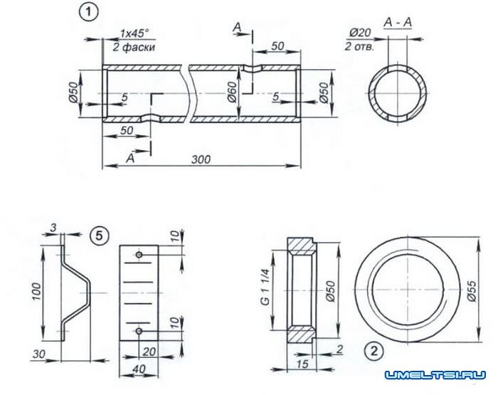
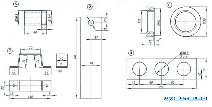
Котел с трехфазным нагревателем получается последовательным соединением трех однофазных ТЭНов. Компактный котел можно сделать, сварив три трубы вместе «бок о бок» или поместив в единый прямоугольный корпус. Варианты для корпусов однофазного и трехфазного нагревателей представлены на чертежах.




Схема однотрубной жидкостной отопительном системы с і рсмя автоматическими тепловыми электрическими нагревателями, запитанными от трехфажого источника питания:
1- котел; 2-расширительный бак; 3 радиатор; 4 - циркулярный насос; 5 кран Маевского; 6- кран радиатора (прямой): 7 - кран: 8 - «американка» 3/4» (3 шг.); 9 - «американка» (быстроразъемное соединение, с помощью накидной гайки) 1 1/2» (2 шт.); 10- полипропиленовая труба 25; 11 - полипропиленовый угольник 25; 12 - тройник ⌀25; 13 - тройник с полипропиленовой резьбой G3/4"
А. МАТВЕЙЧУК, г. Заводоуковск, Тюменская обл.